LC150 HUB 1-7/8 1/2X1/4KW LOV

Product Details

Manufacturer:
Manufacturer part number:
68514412082
CBT Inventory
0
Vendor Inventory
Loading...
CBT - CINCINNATI
0
CBT - SPRINGBORO
0
CBT - SIDNEY
0
CBT - LEXINGTON
0
CBT - LOUISVILLE
0
Availability:
Ships in 2-4 days.
Estimated dates are contingent upon manufacturer stock.

Description

Brand Name

Lovejoy®

Type

Type LC Style 1

Description

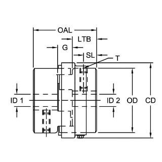
Lovejoy® Jaw Coupling Hub, Type LC Style 1, LC150 Coupling, 1-7/8 in Bore, 3-3/4 in Diameter Hub, 2-3/4 in Hub Length, 1/2 in W x 1/4 in D Keyway, 5000 rpm Maximum, 1-3/4 in Length Through Bore, 3/8-16 Screw, Sintered Iron, Metallic

Standards

ECCN EAR99

Features

  • Radially removable insert
  • Collar allows for maximum speed of 3600 rpm
  • Collar manufactured from 1018 Steel
  • Without collar and hardware

Specifications

Bore Diameter:1-7/8 in
Country of Origin:US
Coupling Size:LC150
Finish:Metallic
Hub Diameter:3-3/4 in
Hub Length:2-3/4 in
Keyway Size:1/2 in W x 1/4 in D
Length Through Bore:1-3/4 in
Material:Sintered Iron
Maximum Speed:5000 rpm
Screw Size:3/8-16

Resources